

























I. Product Overview
Plate heat exchangers are widely used in heating, bathing, air conditioning, metallurgy, hydraulic pressure, chemical industry, pharmacy, food and other fields.
Plate heat exchanger is a kind of heat exchanger with high heat exchange efficiency among all kinds of heat exchangers at present. It occupies a small space and is convenient to install and disassemble.
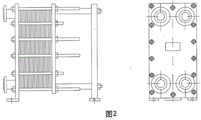
The structural breakdown of the plate heat exchanger is shown in Figure 1, and the product appearance is shown in Figure 2. The main components are heat exchanger plates, sealing rubber pads, clamping plates, guide rods and clamping bolts. The heat exchanger plate is formed by pressing stainless steel plate, which is provided with four flow holes, the middle part of which is pressed into herringbone corrugation, and the periphery of which is pressed with sealing grooves. A sealing rubber pad is stuck in the sealing groove. Heat exchange plates are positioned and aligned by two guide rods, and two clamping plates press each plate by clamping bolts, thus forming a heat exchange channel in the inner cavity of the heat exchanger. The herringbone corrugations of adjacent heat exchange plates are installed in opposite directions, and the contact points support each other. The herringbone corrugation and these supporting points make the fluid medium fully turbulent when flowing in it, which is the main reason why the plate heat exchanger has high heat exchange efficiency. In addition, the thickness of the heat exchange plate is thinner, the thermal conductivity and thermal resistance are smaller, and the fluid medium flow distribution on both sides of the plate is more balanced, which also makes the heat transfer more sufficient.


According to the temperature difference and flow rate of medium, plate heat exchanger can be assembled into single-flow, double-flow, three-flow and multi-flow forms. Single process means that the medium flows through one process in the heat exchanger, and double process means that the medium turns back and flows through two processes in the heat exchanger, and so on. The outline diagram of each process and its schematic diagram are shown in Figure 3. When multiple processes are adopted, the four interfaces of the heat exchanger cannot be located on the same clamping plate, and the inlet and outlet should be located on the front and rear clamping plates.



Generally, the average velocity of medium with low viscosity similar to water in the heat exchange channel is 0.4m/s, and if the velocity is too large, the resistance will be high. If the flow velocity is too small, the fluid flow in the channel is not easy to form turbulence, and the dead zone is easy to form, so the heat exchange effect is not good. Therefore, the number of processes should be selected according to the flow rate of the medium, so that the flow rate in the heat exchange channel is close to 0.4m/s. So as to obtain a heat exchange effect. For medium with high viscosity similar to hydraulic oil, the flow rate should be reduced, and 0.3m/s is more suitable. When the flow rate is small, the flow rate can be increased by increasing the number of processes. For example, when the flow rate corresponding to the determined heat exchange area in the table is twice as large as the used flow rate, the flow rate in the heat exchange runner can be doubled to a proper flow rate by adopting the double-process assembly form. The two channels can adopt unequal number of processes according to different flow rates. As the number of processes increases, so will the resistance. For heat exchangers heated by steam, the steam side should generally be installed in the form of a single process, so as to facilitate the full entry of steam and the smooth discharge of condensed water.
II. Types of Plate Heat Exchangers
At present, the plate heat exchangers produced by our company mainly include BR type, BRB type (BRB type can be abbreviated as BB type) and BRV type.
The characteristics of BR type are that the heat exchange plates and sealing rubber pads are the same, and the four flow holes on the plates are the same size, and the same medium enters and exits at two flow holes on one side, as shown in Figure 4, which can't form diagonal flow. When assembling, the adjacent heat exchange plates are rotated by 180, so that the herringbone direction is opposite. After assembly, the cross-sectional flow areas of the two runners are the same.
The characteristic of type B BR is that it adopts two different heat exchange plates and rubber pads (commonly known as pad A of plate A and pad B of plate B). There are two large channel holes in the diagonal direction of the plate, and two small channel holes in the diagonal direction. The same medium enters and exits in the diagonal channel hole, but cannot enter and exit in the same side channel hole, as shown in Figure 5. The corrugated cross-sections of the two plates are also different. During assembly, the two plates are alternately stacked. After assembly, because the corrugated cross-sections of the two plates are opposite in arc shape, the corrugated inner cavity of the plate corresponding to the large runner hole forms a large runner cross-section. However, the corrugated inner cavity of the plate corresponding to the small channel hole forms a small channel section, which is the origin of the BRB unequal channel section. The ratio of the two cross-sectional areas is roughly 2: 1. When the flow rates of the two media are different and roughly 2: 1, and it is difficult to assemble into a double process, this type of heat exchanger can be selected. It is suitable for district central heating. Generally, the flow of hot water in the primary network is small, and the flow of heating water for users in the secondary network is large.
This type of heat exchanger can be selected when the flow rates of the two media are different and roughly 2: 1, and it is difficult to assemble into a double process. It is suitable for district central heating. Generally, the flow of hot water in the primary network is small, and the flow of heating water for users in the secondary network is large.

BRM series plates are developed by our company in recent two years according to market requirements. Streamline guide grooves are designed in the inlet diversion area of the plates, which can narrow the flow resistance difference in different channels and make the fluid evenly distributed in the plate heat exchange area, thus avoiding the disadvantages of heat exchange efficiency reduction, pitting and scaling caused by uneven flow distribution and dead flow angle. For the plate with large width, the sea has added a pressure equalizing groove along the equipotential line, thus forming the intersection of the streamline guide groove and the uniform groove of the equipotential line, forming a chocolate block diversion area with small resistance and an inlet diversion area. Low resistance in the same type of plate.
In BRM series, there are two kinds of plate angles for each plate type: big angle and small angle. The following three different combinations can be made, which can realize the thermal mixing design, and ensure the high heat transfer coefficient and low fluid resistance.
Four-corner mechanical interlocking structure, automatic positioning during assembly, saving time. And can improve the overall strength of the heat exchanger.
Plate heat exchanger with angular hole diameter above DN150 adopts five-point metal positioning system, and the upper guide rod has three points, which can prevent the plate from moving up and down. The two points of the lower guide rod can not only restrict the plate from moving left and right, but also ensure the complete reset after disassembly. In addition, the four-corner positioning structure ensures the gasket sealing accuracy and prolongs the service life of the plate. The five-point positioning overcomes the disadvantage that the circular beam positioning cannot compensate for the parallel expansion and contraction of the plate, and improves the working range.
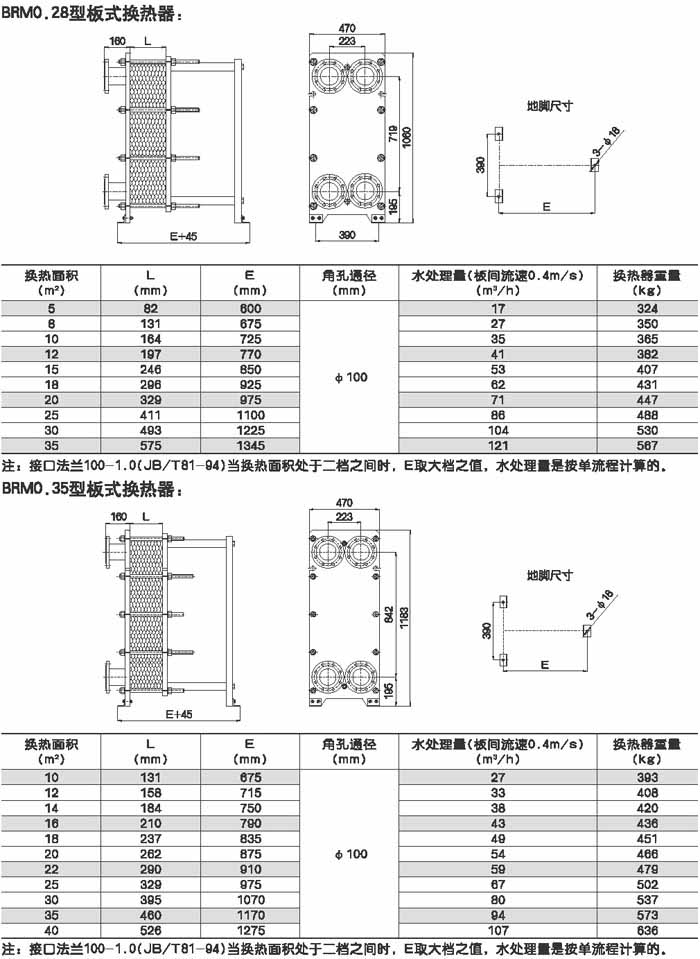
BRMO.0 means that the effective heat exchange area of a single heat exchange plate is 0. g square meters, and other models have the same meaning. A heat exchanger with required heat exchange area can be assembled by selecting a certain type and adopting different numbers of heat exchange plates.
Plate heat exchangers can be divided into hanging type (Figure 6) and hanging type (Figure 7) in terms of assembly form. The hanging type heat exchanger does not have a strut, and the ground plate is directly welded to the lower ends of the two clamping plates. It is suitable for small-sized heat exchangers with small weight, so that it can be moved during disassembly and assembly. The hanging heat exchanger is provided with a support, which can stay in place during disassembly and assembly. The movable clamping plate and the heat exchanger plate are hung on the upper guide rod, which can move, and the heat exchanger plate can be removed and installed. Larger heat exchangers are generally hung for easy disassembly and maintenance.


換熱板片的材質一般為SUS304(0Cr19Ni9),特定可為SUS316L(00Cr17Ni14Mo2),SUS316L耐腐蝕性能比SUS304好.這類不銹鋼材料一般不耐用含氯離子較高的介質。
密封膠墊的材質分為丁腈橡膠和乙丙橡膠兩種,丁腈膠墊耐熱溫度的上限為110℃,耐油和水;乙丙膠 墊耐熱溫度的上限人150℃,耐蒸汽和水。
換熱器的其它金屬材料的材質一般為碳鋼。
板式換熱器的設計壓力一般為1.0MPa。
三、板式換熱器型號的表示方法
我公司生產的板式換熱器按照 GB16409-1996 《板式換熱器》進行設計、制造和檢驗,代號也按其標準規定來表示。
















